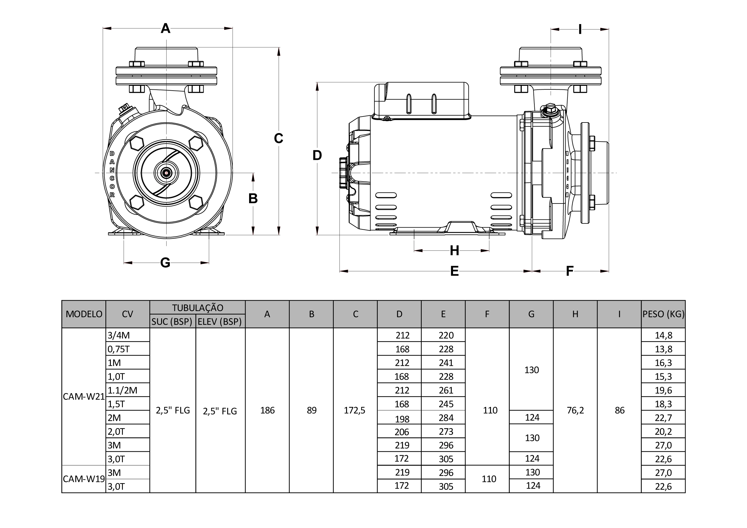
Materiais Empregados
Carcaça com voluta e flange integrados, fabricada em liga especial de alumínio-silício. Possui bocal de sucção axial e bocal de recalque radial, além de plug de escorvamento para enchimento inicial do conjunto hidráulico. Rotor do tipo fechado, construído em liga especial de alumínio-silício, montado por rosca diretamente na extremidade do eixo do motor.
Vedação do eixo realizada por selo mecânico, Ø 5/8”, tipo “16”, conjunto de precisão, construído com borracha nitrílica, mola de aço inox e faces de vedação em grafite e cerâmica.
O motor elétrico segue a Norma MG 1.18.326 a MG 1.18.341 “Jet Pump”, possui eixo em aço carbono com diâmetro de 5/8”, opera com rotação de 2 polos a 3.500 rpm e frequência de 60 Hz. Disponível em versões monofásicas (110-127/220-254V) e trifásicas (220/380V), o motor apresenta grau de proteção IP 21 e isolamento Classe F. A potência dos motores varia de 3/4cv a 3cv.


